МАП сензори и датчици за налягане

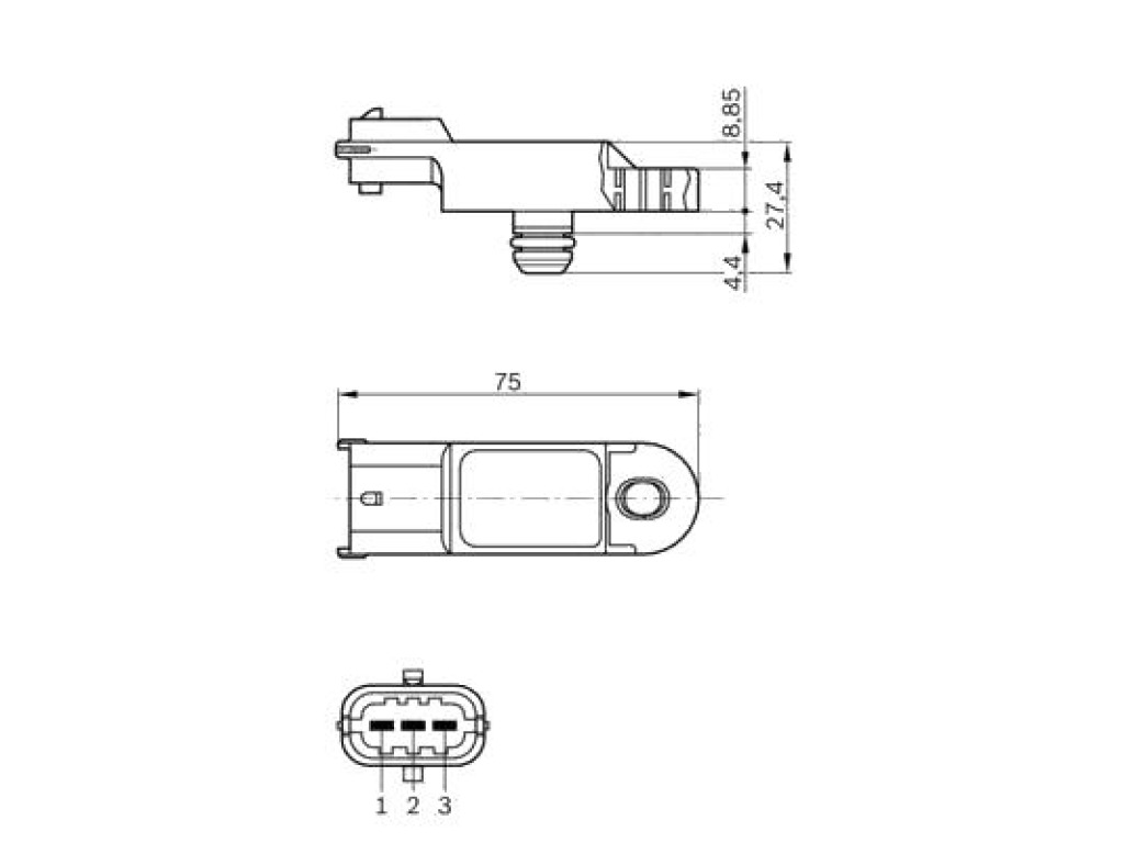
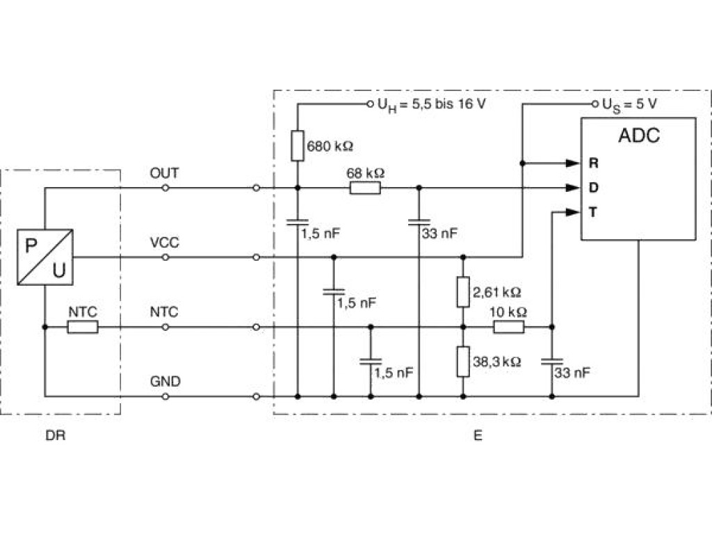
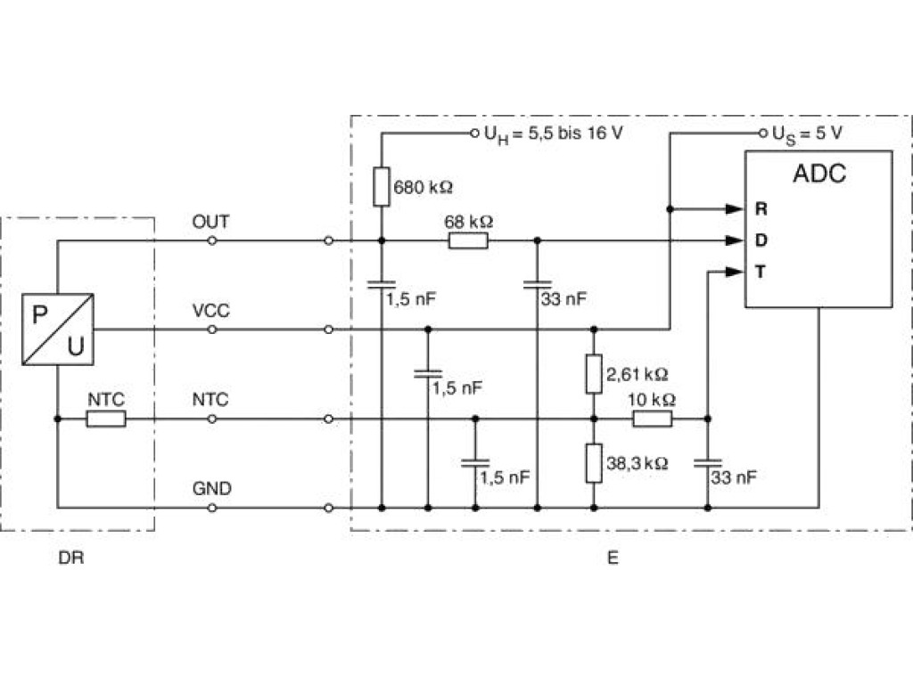
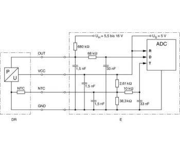
Датчик, налягане при принудително пълнене BOSCH за RENAULT MEGANE II (BM0/1_, CM0/1_) хечбек от 2001 до 2012

(Рейтинг)
  • Продуктов номер: 342138
  • Състояние: Нови
  • Производител: BOSCH
  • За поръчки и въпроси: 0700 42 003
  • За наличност попитайте по телефон
година на производство до 12/2016 ...

Клиентска цена:
71.59 € / 140.02 лв.
Цена за вас:
64.43 €   /   126.01 лв.

Описание на продукт Датчик, налягане при принудително пълнене BOSCH за RENAULT MEGANE II (BM0/1_, CM0/1_) хечбек от 2001 до 2012



година на производство до

12/2016




от температура [°C]

-40


температурен диапазон до [°C]

130



PАЗПРОДАЖБА –  Валидна само за стоката налична в България. ПРЕДИ ПОРЪЧКА МОЛЯ ПОЗВЪНЕТЕ